Plaimae Corporation|Hampolt Corporation
Home
About us
Product
Pushwheel Switches
PF 21
PF 31
PF 43
PF 44
PF 46
PF 49
PF 52
PF 52 - PP
PR 52
PF 54
PF 54 - PP
PF 62
Thumbwheel Switches
TF 31
TF 41
TF 51
TR 51
GTF511271-09RN2C
GTF511271-EVM01
Rotary DIP Switches
DRS300 Standard Series
DRR300 Right Angle Series
DRI300 Right Angle Series in pitch 2.54mm are available
DRS400 Standard Series
3 x 3 Standard Series of Rotary DIP Switches
3 x 3 Right Angle Series of Rotary DIP Switches
4 x 1 Standard Series of Rotary DIP Switches
4 x 1 Right Angle Series of Rotary DIP Switches
Miniature Series of Rotary DIP Switches
Tape & Reel Packaging of Rotary DIP Switches
Wire Harness
PL 01
PL 02
PL 03
PL 04
PL 05
PL 06
Codes
Code Available
CODE No: 10
CODE No: 11
CODE No: 12
CODE No: 13
CODE No: 14
CODE No: 22
CODE No: 31
CODE No: 33
CODE No: 51
CODE No: 52
CODE No: 53
CODE No: 71
Terminals
No. 1
No. 2
No. 3
No. 4
No. 5
No. 6
No. 7
No. 8
No. 9
No. P
Dimensions of Pins
Colors
Connectors
Spacers
End Caps
Specifications
Thumbwheel Switches
Rotary DIP Switches
How to order
Contact us
DRS300 Standard Series
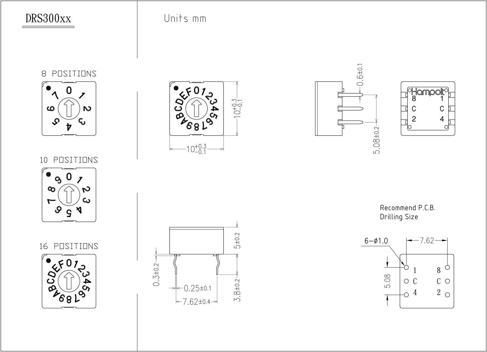
DRS300XX
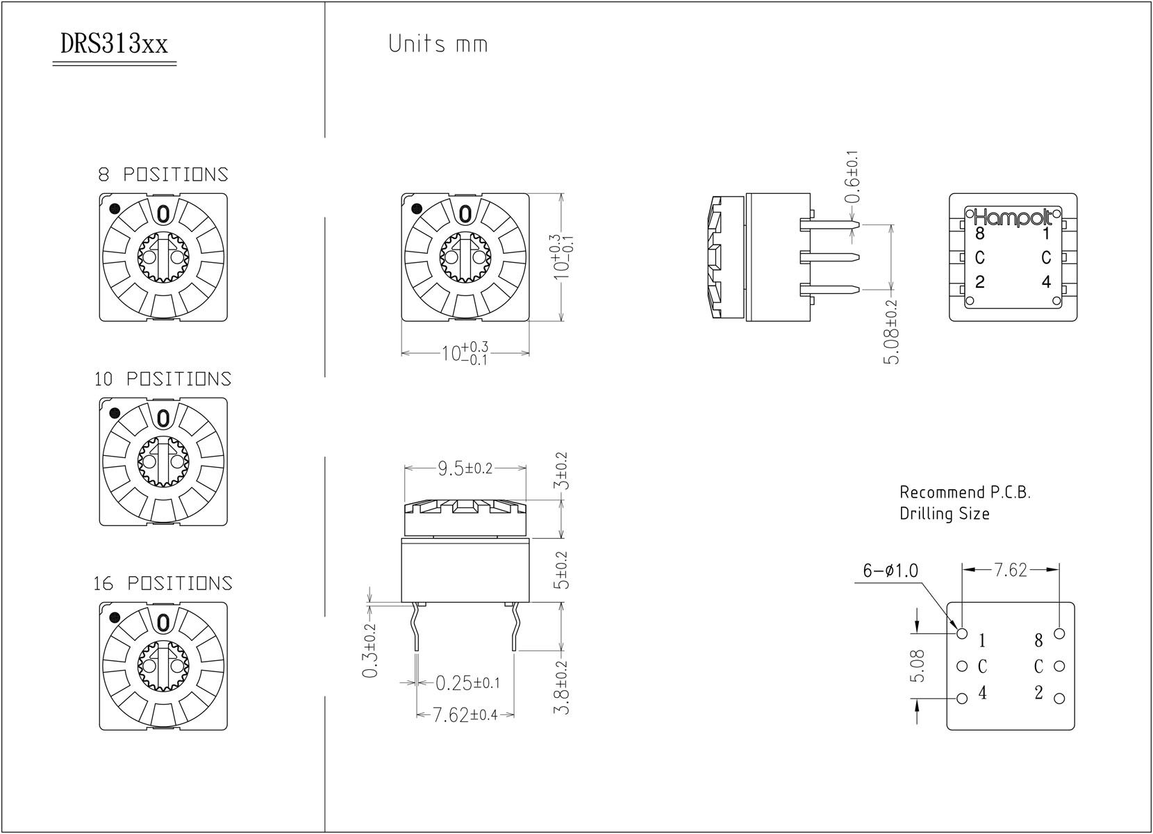
DRS313XX
DRS323XX
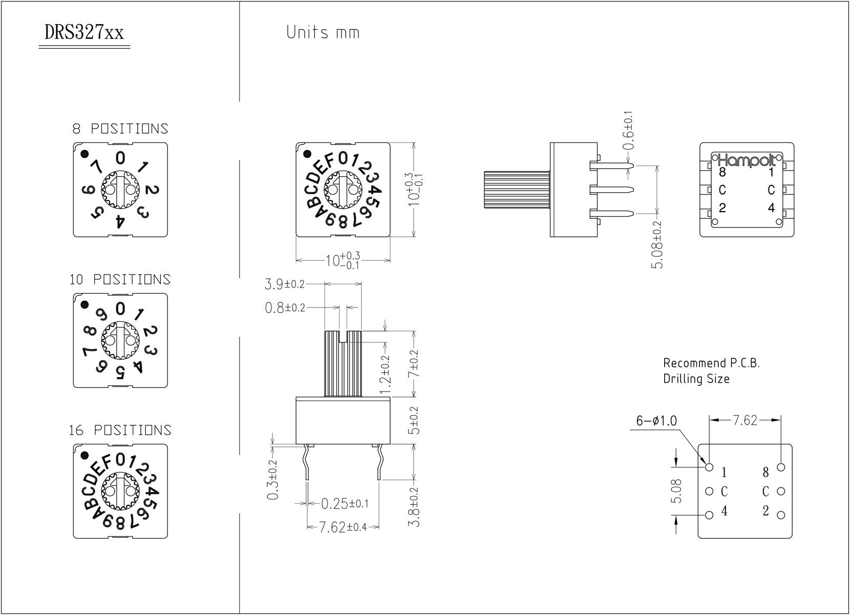
DRS327XX
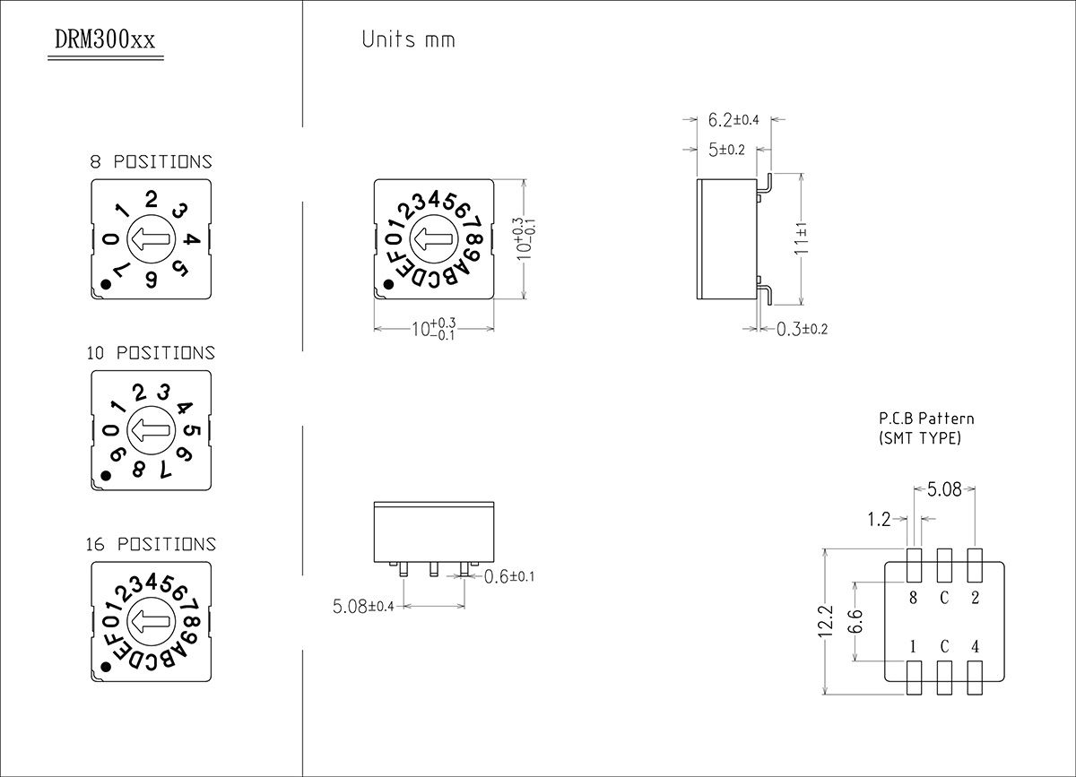
DRM300XX
DRS300XX
Back to Product
DRS313XX
Back to Product
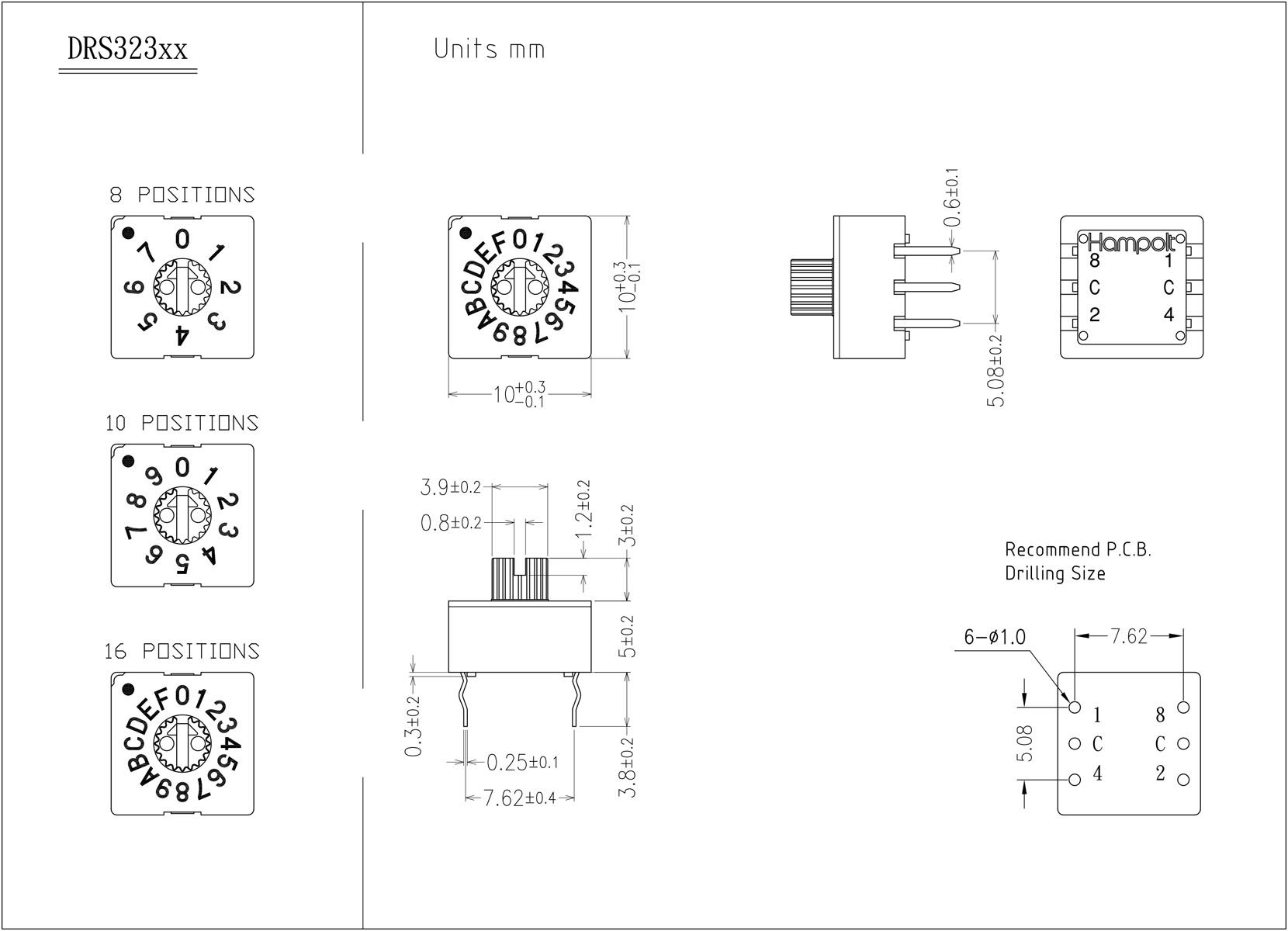
DRS323XX
Back to Product
DRS327XX
Back to Product
DRM300XX
Back to Product
TOP